AYZ型暗杆式铸铁镶铜圆闸门属于一种小型的水利设备,多用于不适合明杆安装的场所的冶金、纺织、石油等水利工程项目,用来调节流量,瑞鑫水工厂家支持货到结款,型号从dn200-3000mm都有,可定制生产。

由于产品规格型号多,相应的技术参数要求不同,报价从288元到上千元不等,致电我们,专业销售人员免费给您提供报价详情,量大从优!
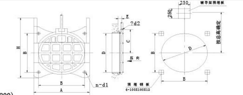
AYZ型暗杆式铸铁镶铜闸门主要由闸框、闸板、吊耳、紧闭斜铁、传动螺杆等组件构成,其结构图图如下:

1、外观整洁美观,防腐性能好,由于闸框闸板材质采用球墨铸铁或灰铸铁浇注加工而成,继承了铸铁的优良防腐性能,同时严格按照喷涂标准进行表面的处理加工,不但增强了其防腐性能,同时使产品外观更加美观;
2、止水性能优良,止水面采用镶铜的形式,经过有多年有经验的机床技术工人细心加工,止水面的平整度更高,止水性能相较于同行更加优良;
3、操作灵活方便,不卡顿,可人工操作闸门的启闭,亦可电动控制,有需求的用户也可实现远程控制;
5、启闭速度快,因为安装中铸铁镶铜闸门会稍高于水头,开启水头的压力小,因此开启速度快。
AYZ型暗杆式铸铁镶铜圆闸门的安装操作基本和其他类型的安装操作相同,包括有安装前的检查,预埋件的修正调整,整体安装就位,无水试验等,可参考本站《铸铁闸门的安装》
AYZ型暗杆式铸铁镶铜闸门的型号参数从dn200-3000mm的本厂都有,其具体的外形尺寸、安装尺寸及相应的地脚螺栓型号可参考本站《AYZ型暗杆式铸铁镶铜闸门型号尺寸大全》

AYZ型暗杆式铸铁镶铜圆闸门具有应用广泛、耐腐蚀性优良、安装简便、型号尺寸多样等优势特点。同时瑞鑫水工从事水工机械产品的生产加工已有多年,产品系列齐全,除本产品外,还有PGZ型、PZ型、ZAQF型、SYZ型、潜没式、一体式、高压型、方形、扇形、封闭式等铸铁闸门,也方便用户在本厂直接选购配型启闭机,本厂的启闭机有手推式、电动式、手电两用型螺杆式启闭机,QPQ、QPK、QPT卷扬式启闭机等。
0319-4752228